通过特殊工艺和材料将石墨烯与铝基材料相结合,使石墨烯本身的性能和铝结合,攻克了碳铝共金这一世界难题,充分发挥石墨烯高强度、高导电性、高导热性等特性,大幅提升铝基材料的性能,使其在强度、导电性、耐腐蚀性等方面均优于传统铝材料,由此铝基材料的特殊性质,可以实现更多铜产品的替代,现已实现了漆包线的量产,该材料可广泛应用于电力、电子、交通等领域。
石墨烯铝杆是所有电力材料的和新材料,主要经过特殊的工艺改造,即可实现代替铜的新产品。该产品应用维度极广,未来可开发更多行业的使用。从材料的源头进行真正的升级和变革 。
软态上缆所检测报告:

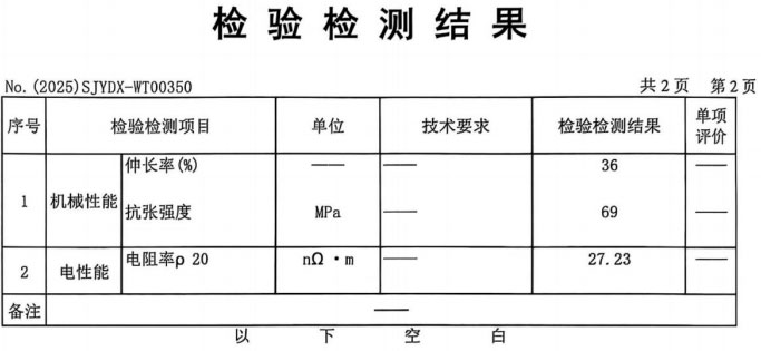
硬态检测报告结果:

目前该产品已经用于漆包线的应用 、电缆的应用 、线束的应用等部分产品的开发,适用于导体行业。现阶段也开发部分型材。让行业龙头进行测试和实验
|